Opis produktu
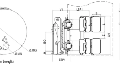
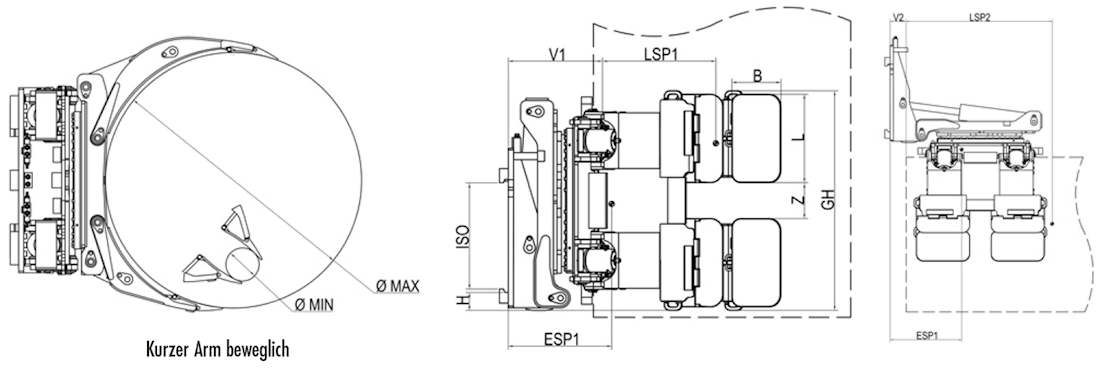
Chwytak przechylny Durwen do rolek papieru typu PRK-K 180° umożliwia pobieranie rolek papieru w pozycji poziomej i pozycji pionowej. Dzięki pochyłowi do przodu o 90° leżące rolki można podnosić i odkładać zarówno w poprzek jak i wzdłuż kierunku jazdy. Zakres obrotu chwytaka to 180°. Dzięki technicznie zaprojektowanemu ogranicznikowi przy 0° i 180° rolka zawsze stoi prosto, co zapobiega uszkodzeniu krawędzi podczas odkładania rolek.
| typ | udźwig kg/mm LC |
LC 1 / LC 2 mm |
ISO | średnica roli min – max mm |
krótkie ramię |
GH mm |
płyta kontaktowa B x L mm |
Z mm |
H mm |
V mm |
ESP mm |
waga kg |
cena Euro |
|---|---|---|---|---|---|---|---|---|---|---|---|---|---|
| Przechylny chwytak do rolek — długie ramię niedzielone | |||||||||||||
| PRK 40 B-13-D-K-180 | 3000 | 650/1200 | III/IV | 250-1300 | ruchome | 1040 | 250×400 | 200 | 30 | 455/100 | 268/498 | 1528 | na zapytanie |
| PRK 40 B-15-D-K-180 | 2650 | 760/1200 | III/IV | 250-1520 | ruchome | 1040 | 250×400 | 200 | 30 | 455/100 | 288/516 | 1568 | na zapytanie |
| PRK 50 B-15-D-K-180 | 3600 | 760/1300 | IV | 250-1520 | ruchome | 1140 | 280×400 | 300 | 30 | 495/100 | 393/662 | 1760 | na zapytanie |
| PRK 50 B-16-D-K-180 | 3500 | 800/1300 | IV | 250-1600 | ruchome | 1140 | 280×400 | 300 | 30 | 495/100 | 399/669 | 1780 | na zapytanie |
| PRK 60 B-15-D-K-180 | 4200 | 760/1300 | IV/V | 250-1520 | ruchome | 1240 | 280×500 | 200 | 80 | 513/100 | 412/703 | 1945 | na zapytanie |
| PRK 60 B-16-D-K-180 | 4000 | 800/1300 | IV/V | 250-1600 | ruchome | 1240 | 280×500 | 200 | 80 | 513/100 | 418/706 | 1960 | na zapytanie |
| PRK 80 B-15-D-K-180 | 4600 | 760/1400 | IV/V | 250-1520 | ruchome | 1240 | 280×500 | 200 | 80 | 653/100 | 532/823 | 2360 | na zapytanie |
| PRK 80 B-16-D-K-180 | 4500 | 800/1400 | IV/V | 250-1600 | ruchome | 1240 | 280×500 | 200 | 80 | 653/100 | 532/823 | 2375 | na zapytanie |
| Przechylny chwytak do rolek — długie ramię dzielone | |||||||||||||
| PRK 40 TB-13-D-K-180 | 3000 | 650/1200 | III/IV | 250-1300 | ruchome | 1040 | 250×400 | 200 | 30 | 455/100 | 268/498 | 1523 | na zapytanie |
| PRK 40 TB-15-D-K-180 | 2650 | 760/1200 | III/IV | 250-1520 | ruchome | 1040 | 250×400 | 200 | 30 | 455/100 | 288/516 | 1563 | na zapytanie |
| PRK 50 TB-15-D-K-180 | 3600 | 760/1300 | IV | 250-1520 | ruchome | 1140 | 280×400 | 300 | 30 | 495/100 | 393/662 | 1765 | na zapytanie |
| PRK 50 TB-16-D-K-180 | 3500 | 800/1300 | IV | 250-1600 | ruchome | 1140 | 280×400 | 300 | 30 | 495/100 | 399/669 | 1785 | na zapytanie |
| PRK 60 TB-15-D-K-180 | 4200 | 760/1300 | IV/V | 250-1520 | ruchome | 1240 | 280×500 | 200 | 80 | 513/100 | 412/703 | 1950 | na zapytanie |
| PRK 60 TB-16-D-K-180 | 4000 | 800/1300 | IV/V | 250-1600 | ruchome | 1240 | 280×500 | 200 | 80 | 513/100 | 418/706 | 1965 | na zapytanie |
| PRK 80 TB-15-D-K-180 | 4600 | 760/1400 | IV/V | 250-1520 | ruchome | 1240 | 280×500 | 200 | 80 | 653/100 | 532/823 | 2350 | na zapytanie |
| PRK 80 TB-16-D-K-180 | 4500 | 800/1400 | IV/V | 250-1600 | ruchome | 1240 | 280×500 | 200 | 80 | 653/100 | 532/823 | 2365 | na zapytanie |
- 3 funkcje hydrauliczne
- z wężami i szybkozłączkami
- zawór bezpieczeństwa w standardzie
- płyty kontaktowe — stal ryflowana jako standard, opcjonalnie okładzina
- ruchome krótkie ramię w wersji sekwencyjnej jako standard
- wymagane ciśnienie min 160 bar, niższe ciśnienie skutkuje mniejszą siłą ścisku
- zakres obrotu 360° na zapytanie
- chwytak bez obrotu na zapytanie
- dopłata za elektrozawór 1.120,00 Euro (do wyboru napięcie 12, 24, 48 i 80V)
- dystans na zapytanie
Potrzebujesz więcej informacji?
Skontaktuj się z nami. Nasi specjaliści odpowiedzą na wszystkie Twoje pytania.
Zadzwoń teraz lub skorzystaj z formularza poniżej
Pozostałe produkty w tej kategorii
Chwytaki do rol papieru marki DURWEN cechują smukłe profile ramion. Urządzenia są dostępne w różnych…
Zobacz więcej
Jest przeznaczony do transportu rol papieru w pozycji tocznej i w pozycji pionowej. Operator wózka…
Zobacz więcej
Chwytaki do rolek tissue Durwen TRK 360° mają idealną geometrię do obsługi rolek z papierem…
Zobacz więcej
Wieżowy chwytak do rolek papieru Durwen typu TPRK przeznaczony jest do podnoszenia rolek papieru w…
Zobacz więcej