Paletyzer VPK-C / APK-C

durwen.pl

Opis produktu

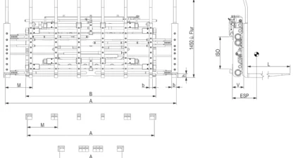
Wielokrotny paletyzer VPK-C stosuje się do transportu 2, 3 lub 4 palet jednocześnie. Wielokrotny paletyzer APK-C, dzięki długim widłom może transportować naraz 4, 6 lub 8 palet.Obydwa modele gwarantują operatorowi świetną widoczność. Stabilny korpus paletyzera stanowi mocną podporę dla wideł i pozwala na dużą rotację towarów. Paletyzery seryjnie są wyposażone w przesuw boczny.

typ VPK do 2-3-4 palet
Typ Udźwig kg/mm LC Sugerowany udźwig kg/mm LC ISO B mm A mm M mm Widły b x h x L mm Przesuw mm V mm ESP mm Waga kg Cena Euro
VPK 50-C 3600/600 5,0/600 IV 2400 1360-3155 500 80x60x1200 +/- 150 189 210 1390 na zapytanie
typ APK do 6-8 palet
Typ Udźwig kg/mm LC Sugerowany udźwig kg/mm LC ISO B mm A mm M mm Widły b x h x L mm Przesuw mm V mm ESP mm Waga kg Cena Euro
APK 80-C 5600/1200 8,0/900 IV 2400 1760-2960 500 120/90x70x2400
60x70x2400
+/- 150 200 435 2240 na zapytanie
  • 2 funkcje hydrauliczne
  • wyposażony w węże i szybkozłączki od strony osprzętu
  • niezależny przesuw boczny w standardzie
  • dopłata za automatyczny system smarowania 1.190,- Euro

Potrzebujesz więcej informacji?

Skontaktuj się z nami. Nasi specjaliści odpowiedzą na wszystkie Twoje pytania.

Zadzwoń teraz lub skorzystaj z formularza poniżej

    Pozostałe produkty w tej kategorii

    Paletyzer DPK-C / DPK-P

    Podwójny paletyzer poprzez hydrauliczne pozycjonowanie wideł może pobierać jedną bądź dwie palety jednocześnie. Rozstaw między…

    Zobacz więcej
    Paletyzer DRPK-C

    Potrójny paletyzer poprzez hydrauliczne pozycjonowanie wideł może transportować jedną, dwie lub trzy palety jednocześnie. Palety…

    Zobacz więcej
    Paletyzer VDPK-C / VDRPK-C

    Podwójny paletyzer z pantografem może załadować ciężarówkę z jednej strony. Dodatkowo, urządzenie to ma wszystkie…

    Zobacz więcej
    Paletyzer SPK-C2

    Paletyzer do 6 palet świetnie radzi sobie w obsłudze 4 – 6 palet jednocześnie. Obok…

    Zobacz więcej