Urządzenie teleskopowe RZV-TGZ / RZV-TGZ do reach trucków

durwen.pl

Opis produktu

Model RZV-TGZ jest połączeniem pozycjonera i wideł teleskopowych co umożliwia szybkie i opłacalne składowanie oraz załadunek i rozładunek w szczególności z jednej strony pojazdu. Urządzenie radzi sobie sprawnie w różnych sytuacjach logistycznych, w tym przy obsłudze wielu rozmiarów palet oraz zmiennych wymiarach ładunków. Widły teleskopowe cechuje 100% synchronizacja wysuwu. Kieszenie na widły posiadają dodatkowe +2mm warstwy odpornej na ścieranie wykonanej ze stali manganowej w standardzie.

RZV-TGZ to połączenie pozycjonera z widłami teleskopowymi, które umożliwia szybki i redukujący koszty załadunek oraz składowanie zwłaszcza z jednej strony pojazdu. Urządzenie sprawdza się w różnorodnych pracach logistycznych, gdzie obsługujemy towary o różnych niestandardowych rozmiarach oraz towary składowane na paletach różnych rozmiarów. Widły teleskopowe charakteryzuje 100% synchronizacji przy zsuwaniu i wysuwaniu. Nakładki wideł w standardzie są wyposażone w dodatkowe listwy manganowe o grubości 2mm w celu wydłużenia żywotności urządzenia, są bowiem bardzo odporne na ścieranie. Ten model pasuje do wózków z masztem wysuwnym, charakteryzuje się bowiem wąską karetką.

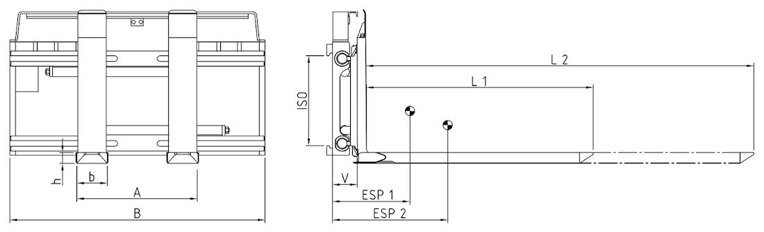
typ udźwig kg/mm LC 1 udźwig kg/mm LC 2 sugerowany udźwig kg/mm LC ISO B mm A mm długość baza / wysuw L1/L2 mm przekrój b x h mm grzbiet wideł mm V mm ESP 1/2 mm waga kg
RZV-TGZ.20.1200 2000/500 950/1450 1,0-2,0/500 II 750
800
850
880
500 – 760
500 – 810
500 – 860
500 – 890
1200/2050 131×57 120×45 126 345/460
340/455
335/445
330/440
300
305
310
315
RZV-TGZ.20.1350 2000/500 810/1750 1,0-2,0/500 750
800
850
880
500 – 760
500 – 810
500 – 860
500 – 890
1350/2350 131×57 120×45 395/540
390/535
385/520
380/515
315
320
325
330
RZV-TGZ.25.1200 2500/600 1200/1450 2,0-2,5/600 II 750
800
850
530 – 790
530 – 840
530 – 890
1200/2050 161×57 150×45 126 365/500
360/495
350/485
335
340
345
RZV-TGZ.25.1350 2500/600 1000/1750 2,0-2,5/600 750
800
850
530 – 790
530 – 840
530 – 890
1350/2350 161×57 150×45 415/585
410/580
405/565
350
355
360
  • 2 funkcje hydrauliczne
  • wyposażony w węże i szybkozłączki od strony osprzętu
  • listwy ochronne ze zintegrowaną prowadnicą węży w standardzie
  • w standardzie wyposażony w wymienne listwy odporne na ścieranie oraz masywne czubki wideł wykonane z odlewu, w celu redukcji kosztów serwisu
  • dopłata za grubszą listwę manganową 6mm, 350,- / widła, ISO II
  • widły zawieszane TGZ wg ISO2328 w standardzie
  • dopłata za widły przykręcane 770 Euro / para
  • Dopłata za klasę montażową ISO B 350,- Euro (ISO II)
  • ograniczniki wjazdu w paletę: ISO II (see page 198):
    A) 75 mm, po bokach nakładek wideł, dopłata 260,- Euro
    B) o wysokości 400 mm, dopłata 100,- Euro
    C) o wysokości 850 mm, dopłata 430,- Euro
    typ B i C skraca użyteczną długość o 50 mm, inne ograniczniki wjazdu w paletę na zapytanie
  • elektrozawór dopłata 1.120,- Euro (12 V, 24 V, 48 V, 80 V – proszę określić)
  • zestaw służący do zmiany grubości przed karetką 750,- Euro (grubość możemy zmieniać max o 50mm)

Ważna informacja: Wózek musi być wyposażony w zabezpieczenie zapobiegające uderzeniu wideł pozycjonera o boczne podpory wózka. Oznacza to, że funkcja pozycjonowania i przesuwu bocznego musi być zablokowana, gdy karetka znajduje się między podporami wózka. Design karetki wózka musi być przystosowany do zamontowania pozycjonera. Firma Durwen posiada w ofercie zestaw przejściowy, który można zastosować między karetką wózka a dodatkowym osprzętem. Ten dodatkowy zestaw może się przydać w celu ulokowania wszystkich elementów karetki w ramach osprzętu i umożliwi bezkolizyjne działanie całego zestawu. Max rozszerzenie do 50 mm.

Potrzebujesz więcej informacji?

Skontaktuj się z nami. Nasi specjaliści odpowiedzą na wszystkie Twoje pytania.

Zadzwoń teraz lub skorzystaj z formularza poniżej

    Pozostałe produkty w tej kategorii

    Urządzenie teleskopowe TGZ

    Hydrauliczne widły teleskopowe TGZ stanowią optymalne rozwiązanie w wielu sytuacjach transportowych i załadunkowych. Towar znajdujący…

    Zobacz więcej
    Urządzenie teleskopowe RZV-S-TGZ

    RZV-S-TGZ to połączenie pozycjonera z widłami teleskopowymi, które umożliwia szybki i redukujący koszty załadunek oraz…

    Zobacz więcej
    Urządzenie teleskopowe ZVW-S-TGZ

    Pozycjoner wideł typ ZVW-S-TGZ na profilach rurowych daje długą żywotność i doskonałą widoczność. System rurowy…

    Zobacz więcej
    Urządzenie teleskopowe PZV-S-TGZ

    Pozycjoner z przesuwem niezależnym PZV-S-TGZ jest zbudowany na profilach T. Kompaktowa konstrukcja daje świetną widoczność…

    Zobacz więcej
    Urządzenie teleskopowe PZV-SI-TGZ

    Pozycjoner z przesuwem niezależnym PZV-SI-TGZ jest zbudowany na profilach T. Kompaktowa konstrukcja daje świetną widoczność…

    Zobacz więcej
    Urządzenie teleskopowe PZV-TGZ

    Pozycjoner wideł PZV-TGZ jest zbudowany na profilach T. Kompaktowa konstrukcja daje świetną widoczność i niezawodność.…

    Zobacz więcej
    Urządzenie teleskopowe ZVP-S-TGZ

    Model ZVP-S-TGZ to połączenie pozycjonera z widłami teleskopowymi, które umożliwia szybki i redukujący koszty załadunek…

    Zobacz więcej
    Urządzenie teleskopowe ZVP-TGZ / ZVP-TGZ

    Model ZVP-TGZ to połączenie pozycjonera z widłami teleskopowymi, które umożliwia szybki i redukujący koszty załadunek…

    Zobacz więcej
    Pantograf VGT / VGT-S

    Pantograf typ VGT umożliwia załadunek pojazdu z jednej strony. Stabilna konstrukcja pozwala na bezpieczne załadowanie…

    Zobacz więcej
    Spychacz Push Pull KA /AS

    Urządzenie Push Pull typ KA jest zaprojektowane do przenoszenia ładunków umieszczonych na podkładach. Montaż na…

    Zobacz więcej