Opis produktu
Obrotnica typ DG-S jest zbudowana z masywnego, stalowego odlewu. Przekładnia ślimakowa w jednym momencie styka się z kilkoma zębami koła zębatego obrotnicy, co jest solidnym rozwiązaniem i wydłuża żywotność urządzenia. Uszczelnienia zastosowane w standardzie chronią przed dostawaniem się do wnętrza urządzenia brudu i kurzu. Typ DG-S jest wyposażony w niezależny przesuw boczny +/-100 mm.
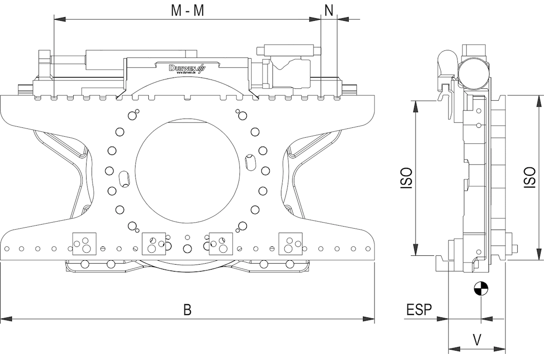
| typ | capacity kg LC mm | sugerowany udźwig wózka LC mm | ISO | B mm | centre distance M-M mm | N mm | max. torque ΔP 130 bar Nm | przesuw mm | V mm | ESP mm | waga kg | cena Euro |
|---|---|---|---|---|---|---|---|---|---|---|---|---|
| DG 16-S | 1600/500 | 1,5-1,8/500 | II | 880 | 260-660 | 50 | 5200 | +/- 100 | 166 | 85 | 264 | na zapytanie |
| DG 20-S | 2000/500 | 2,0/500 | II | 980 | 260-760 | 50 | 5200 | +/- 100 | 166 | 87 | 270 | na zapytanie |
| DG 25-S | 2500/600 | 2,5/600 | II | 1080 | 260-860 | 50 | 9400 | +/- 100 | 149 | 72 | 314 | na zapytanie |
| DG 30-S | 3000/500 | 3,0/500 | III | 1150 | 320-920 | 50 | 9400 | +/- 100 | 175 | 90 | 375 | na zapytanie |
| DG 35-S | 3500/500 | 3,0/600-3,5/500 | III | 1150 | 320-920 | 50 | 11700 | +/- 100 | 180 | 92 | 385 | na zapytanie |
| DG 40-S | 4000/500 | 3,5/600-4,0/500 | III | 1150 | 310-910 | 50 | 14000 | +/- 100 | 193 | 95 | 550 | na zapytanie |
| DG 45-S | 5000/600 | 4,0-5,0/600 | III | 1350 | 310-1110 | 50 | 14000 | +/- 100 | 193 | 97 | 565 | na zapytanie |
| DG 50-S | 5000/600 | 5,0/600 | IV | 1380 | 310-1110 | 50 | 14000 | +/- 100 | 220 | 110 | 730 | na zapytanie |
| DG 60-S | 6000/600 | 6,0/600 | IV | 1500 | 310-1210 | 50 | 22000 | +/- 100 | 228 | 118 | 883 | na zapytanie |
| DG 80-S | 8000/600 | 7,0-8,0/600 | IV | 1750 | 380-1480 | 50 | 22000 | +/- 100 | 238 | 128 | 968 | na zapytanie |
| DG 100-S | 8000/900 | 8,0/900 | IV | 1750 | 380-1480 | 50 | 26000 | +/- 100 | 251 | 130 | 1020 | na zapytanie |
| DG 120-S | 12000/600 | 8,0/1100-12,0/600 | IV | 1850 | 380-1580 | 50 | 26000 | +/- 100 | 251 | 133 | 1128 | na zapytanie |
- 2 funkcje hydrauliczne
- wyposażony w węże i szybkozłączki od strony osprzętu
- zawór bezpieczeństwa w standardzie
- niezależny przesuw boczny w standardzie
- opcje patrz str. 235, 238
- dopłata za dolne uchwyty szybkozłączne:
- Euro 580,- (ISO II), Euro 660,- (ISO III), Euro 1.140,- (ISO IV)
- urządzenie bez wideł
- należy stosować widły zawieszane wzmocnione dla obrotnic
Potrzebujesz więcej informacji?
Skontaktuj się z nami. Nasi specjaliści odpowiedzą na wszystkie Twoje pytania.
Zadzwoń teraz lub skorzystaj z formularza poniżej
Pozostałe produkty w tej kategorii
Obrotnica typ DG jest zbudowana z masywnego, stalowego odlewu. Przekładnia ślimakowa w jednym momencie styka…
Zobacz więcej
Obrotnica typ DG-ST-K jest wyposażona w ręcznie składane boczne ramię, które wspiera pojemnik podczas procesu…
Zobacz więcej
Obrotnica DG-BK ma przykręcane stabilizujące ramię dociskowe, aby przytrzymać pojemnik na widłach. Jest to odpowiednie…
Zobacz więcej
Chwytak do skrzyniopalet typ DGE służy do opróżniania skrzyniopalet i innych pojemników. Widłami, które mają…
Zobacz więcej
Obrotnica typ DG-F jest zbudowana z masywnego, stalowego odlewu. Przekładnia ślimakowa w jednym momencie styka…
Zobacz więcej
Obrotowy pozycjoner wideł typ DZVW-GF ma zakres obrotu 360 stopni i jest wyposażony w widły…
Zobacz więcej