Obrotnica DZVW-GF

durwen.pl

Opis produktu

Obrotowy pozycjoner wideł typ DZVW-GF ma zakres obrotu 360 stopni i jest wyposażony w widły przykręcane. Mocna konstrukcja urządzenia bazująca na prowadnicach rurowych gwarantuje długą żywotność urządzenia. Bezpośredni napęd obrotnicy świetnie sprawdza się w ciężkich aplikacjach. Wersja dla przemysłu rybnego: farba odporna na wodę morską, wybrane części ramy ocynkowane ogniowo, dostęp do zewnętrznego smarowania głównego łożyska obrotu, uszczelnione śruby tam, gdzie to możliwe, prowadnice ze stali nierdzewnej i częściowo siłowniki.

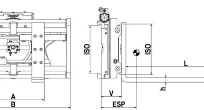
typ sugerowany udźwig kg/mm LC ISO udźwig kg/mm LC B mm A mm widły b x h mm V mm ESP mm waga kg cena Euro
DZW 20-GF 2 II 1800/500 1150 300-1030 100x45x1200 203 191 537 na zapytanie
DZW 25-GF 2,5 II 2200/500 320-1050 120x40x1200 197 545 na zapytanie
DZW 30-GF 3,0/500 III 2500/500 325-1055 125x45x1200 214 572 na zapytanie
DZW 35-GF 3,5/500 III 3000/500 325-1055 125x45x1200 217 577 na zapytanie
  • wyposażona w widły przykręcane
  • kolor: ciemny szary
  • nieodpowiednia do pracy z widłami odwróconymi
  • Zapytaj o odpowiednie rozwiązanie
  • widły w klasie A wg normy ISO 2328

Potrzebujesz więcej informacji?

Skontaktuj się z nami. Nasi specjaliści odpowiedzą na wszystkie Twoje pytania.

Zadzwoń teraz lub skorzystaj z formularza poniżej

    Pozostałe produkty w tej kategorii

    Obrotnica DG

    Obrotnica typ DG jest zbudowana z masywnego, stalowego odlewu. Przekładnia ślimakowa w jednym momencie styka…

    Zobacz więcej
    Obrotnica DG-S

    Obrotnica typ DG-S jest zbudowana z masywnego, stalowego odlewu. Przekładnia ślimakowa w jednym momencie styka…

    Zobacz więcej
    Obrotnica DG-ST-K / DG-S-ST-K

    Obrotnica typ DG-ST-K jest wyposażona w ręcznie składane boczne ramię, które wspiera pojemnik podczas procesu…

    Zobacz więcej
    Obrotnica DG-BK

    Obrotnica DG-BK ma przykręcane stabilizujące ramię dociskowe, aby przytrzymać pojemnik na widłach. Jest to odpowiednie…

    Zobacz więcej
    Obrotnica DGE

    Chwytak do skrzyniopalet typ DGE służy do opróżniania skrzyniopalet i innych pojemników. Widłami, które mają…

    Zobacz więcej
    Obrotnica DG-F

    Obrotnica typ DG-F jest zbudowana z masywnego, stalowego odlewu. Przekładnia ślimakowa w jednym momencie styka…

    Zobacz więcej